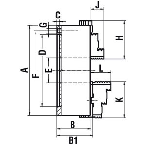
» » » 1569P SELF-CENTRING CHUCKS « PREVIOUS page | NEXT item » self-centring chucks https://sicu.info/en-US/1569P | Go to products page no. 454 » Prod. SCU DIN 6350 Double guide, special spheroidal die cast body.3-jaws very high-precision model. With 2 jaw sets: 1 for inside use, 1 for outside use and wrench. Slipping parts hardened and ground. Excellent vibration absorption, forged crown, balanced and hardened. In compliance with DIN 6350 standards. Claw series for interior, exterior and non-hardened available on request. What do the rules mentioned in the description talk about? DIN 6350: Hand-operated lathe chucks - Self-centring What do you want to do? Send product card » Print product card » Print product card WITHOUT PRICES » View PDF catalogue » Send a request » Save high-res image » ATTACHED FILES related to the product Spare parts and accessories » NEWS related to the product» Cod. Art.Cad.Min. qtyØmmBore ØmmMax rev/minNo. Tightening forcekNCod. Prod.WeightNote (*)1569P 160€ 1.780,000160423600Più dettagli31 10 (*)1569P 200€ 2.100,000200553000Più dettagli37 17.5 (*)1569P 250€ 2.620,000250762500Più dettagli46 29 (*)1569P 315€ 4.060,0003151032000Più dettagli55 50