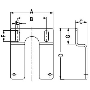
» » » 3464GRV FILTER-REDUCER-LUBRICATOR IN VARIOBLOC GROUP « PREVIOUS page | NEXT item » air treatment units https://sicu.info/en-US/3464GRV | Go to products page no. 877 » Orig. Ewo SPARE PARTS AND ACCESSORIES FOR VARIOBLOC SYSTEM (Art. 3463 GA-B excluded) Brackets complete with screws to mount gearboxes, filters, lubricators and assemblies. What do you want to do? Send product card » Print product card » Print product card WITHOUT PRICES » View PDF catalogue » Send a request » Save high-res image » ATTACHED FILES related to the product Spare parts and accessories » NEWS related to the product» Cod. Art.Cad.Min. qtyTypeDimensions (A)mmDimensions (B) Dimensions (C)mmDimensions (D)mmDimensions (E)mmDimensions (F)mmDimensions (G)mmCod. Prod.WeightNote (*)3464GRV 1€ 18,10015034Più dettagli15715,516254800.03 (*)3464GRV 2€ 21,60027450Più dettagli2088719284800.04